RETURN


The James Millen Society

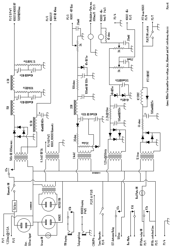
LV Supply

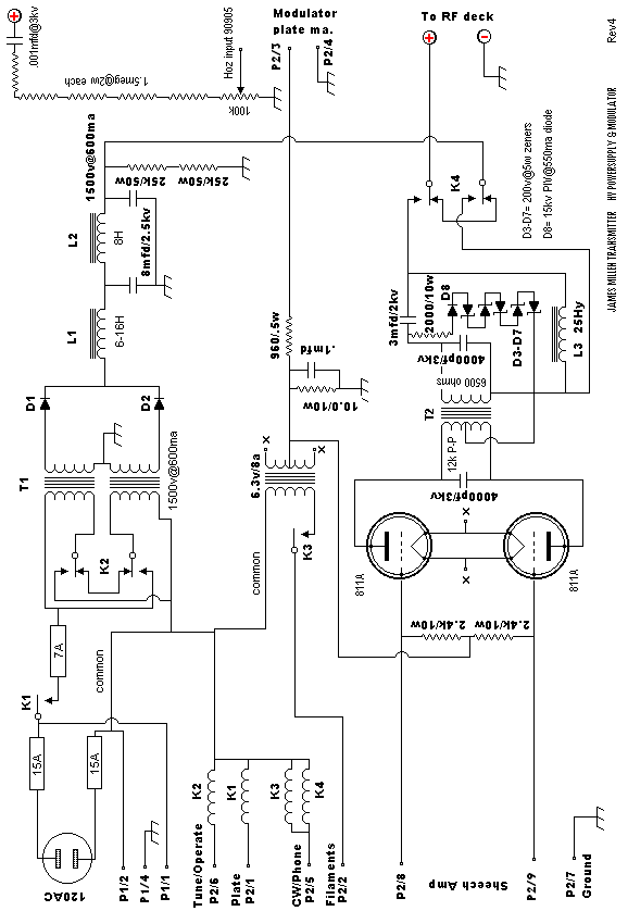
HV Supply and Modulator

  RETURN - TOP OF PAGE